3 Pins Rewireable Plug
   
A/C Power Supply Cord
   
Wire & Cable
   
Wire Harnesses
   
Fuses
   
Switches
 
Rleil Rocker Switch
Rleil Slide Switch
Rleil Push Switch
Rleil Micro Switch
Rleil Slide Switch
 
RL Series
 
RL-XN-11
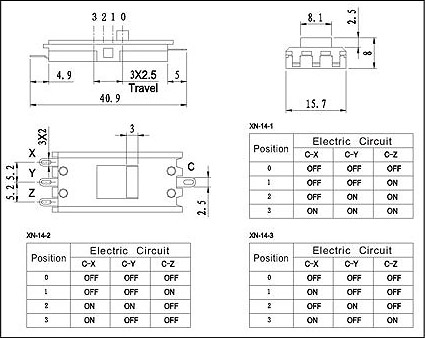
RL-XN-14
RL-YSS-20
Rleil Rotary Switch
Rleil Rocker Switch
AC Plugs
PCB Assembly Product
   
 
 
PRODUCTS
 
  SWITCHES  
 
   
 
RLEIL SLIDE SWITCH
  Specification :
Single pole;4 position
13A 125VAC 6.5A 250VAC
10A 125VAC 5A 250VAC
5A 250VAC
Features:
  soldering terminal