三极可拆线插头
A/C 电源线
电线 & 电缆
线束
保险丝
开关
Rleil 翘板开关
Rleil 滑动开关
Rleil 按钮开关
Rleil 微动开关
RL6 系列
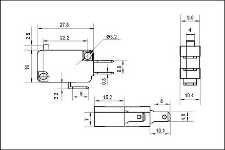
RL6-1
RL6-2
RL-MS-02
RL-FM1-1115
Rleil 滑动开关
Rleil 旋转开关
Rleil 翘板开关
AC 插头
印刷电路板组装产品
产品
开关
RLEIL MICRO SWITCH 微动开关
规格:
16 (4) A 250VAC T125 1E4
16A 125V/250VAC
T105
(S) 额定参数 :
6 (4) A 250VAC T125 5E4
6A 125V/250VAC T105
6A 125VAC 1E4